
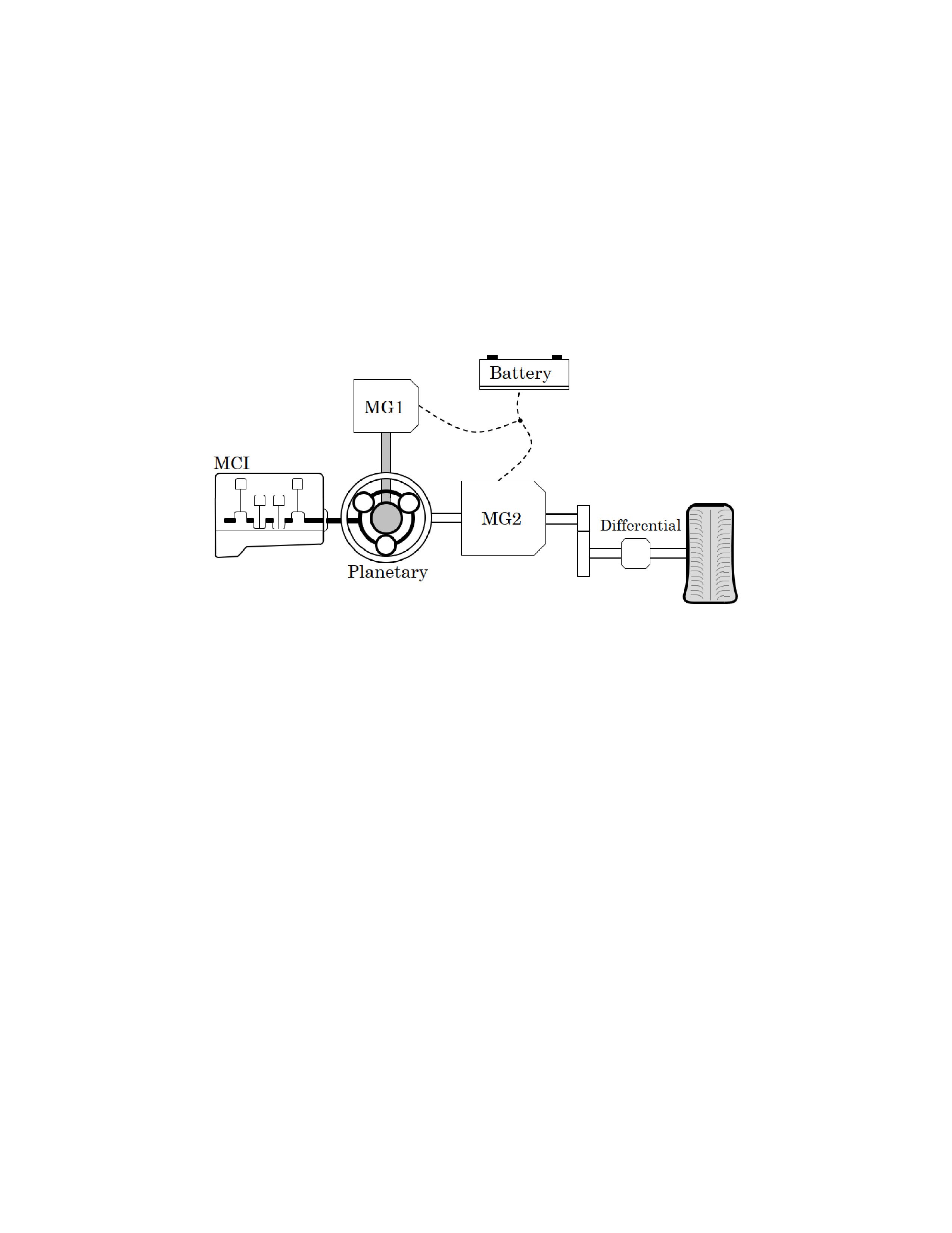
This paper presents the modelling and control of a hybrid electric vehicle powertrain. The powertrain, which has a series-parallel hybrid topology, was used as a case study. Mathematical models were developed for the internal combustion engine, electric motors, batteries and vehicle dynamics. A computational model was implemented in Matlab/Simulink and validated against experimental data, showing good agreement for fuel consumption. A rules-based control strategy was developed to approximate the logic used in the real vehicle. Global powertrain optimisation was then conducted using dynamic programming to minimise fuel consumption. Two cases were analysed, one optimising only the torque distribution and another also optimising the operating points of the internal combustion engine. The optimal control resulted in 9.5% and 10% lower fuel consumption than the non-optimal strategy, demonstrating the potential for consumption reduction. The results illustrate the importance of optimising multiple degrees of freedom in the powertrain and not only confining the engine to its optimal operating line. This study provides a methodology for developing optimal control strategies for hybrid vehicles using easily implementable tools. The findings highlight the importance of synergizing technology with informed driving habits to support global sustainability goals.